Power TransmissionEnergiaEngineeringServicioContactoAcerca de nosotros

Reductores Flender, SEW, Santasalo, Rademakers, SumitomoMotorreductoresReductores Corona y Sinfin CAVEX, FLENDER, Sumitomo, Bauer, SantasaloMotores electricos Media y Alta tension HELMKEReductores Cambios de DireccionFrenos y clutches

Regresar

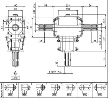
Reductor tipo RV-022